mazda 2 skyactiv wiring diagram
LF8J18300 - Mazda Alternator. Battery, Replaced | Walser Mazda. 18 Pictures about LF8J18300 - Mazda Alternator. Battery, Replaced | Walser Mazda : Mazda 2 - Control System - Engine, Manual pages - MX5 Manual | Mazda MX5 (Mk4) 2015+ and also Audi Engine Diagram Torque Head - Wiring Diagrams.
LF8J18300 - Mazda Alternator. Battery, Replaced | Walser Mazda
 parts.walser-mazda.com
    parts.walser-mazda.com
    alternator walser
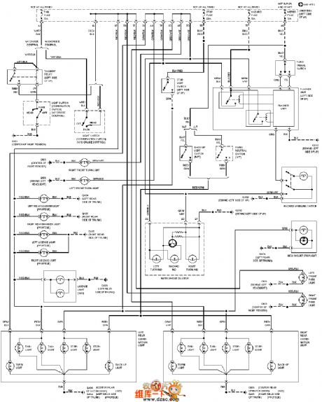
2010 Mazda/Mazdaspeed 3 Wiring Schematics - Mazda3 Forums : The #1
 www.mazda3forums.com
    www.mazda3forums.com
    mazda wiring mazdaspeed ab345 i878 photobucket albums schematics mazda3 height width
1996 Mazda B2300 Fuse Box Diagram - Ford Ranger 1996 Fuse Box Diagram
 rheemwiringdiagram.blogspot.com
    rheemwiringdiagram.blogspot.com
    explorer b2300 fixya wiring
Mazda 2 - Control System - Engine
 www.m2info.net
    www.m2info.net
    
    
    Need A Wiring Diagram For A 1999 Mazda B3000 V6 4x4 Truck------I Am
 www.justanswer.com
    www.justanswer.com
    wiring mazda b3000 diagram 1999 v6 start 4x4 truck need system remote bypass module pats
Does Anyone Have The Wiring Diagram Book? - Mazda 6 Forums : Mazda 6
 forum.mazda6club.com
    forum.mazda6club.com
    diagram wiring mazda anyone does 2006
Mazda 6 2004 2.3 Lo Auto A/C Electrical Signal Problem, Compressor
 www.justanswer.com
    www.justanswer.com
    mazda wiring 2004 diagram signal problem electrical schematics lo refresh might compressor
Alternator Wiring Diagram | 2004 To 2020 Mazda 3 Forum And Mazdaspeed 3
alternator
Index 20 - Circuit Diagram - SeekIC.com
 www.seekic.com
    www.seekic.com
    diagram circuit mazda external seekic modulation shown light
2008 Mazda 6 Timing Belt Or Chain - Ultimate Mazda
marks motogurumag impacts solve
Manual Pages - MX5 Manual | Mazda MX5 (Mk4) 2015+
 www.mx5manual.com
    www.mx5manual.com
    wiring diagram mazda pdf
Mazda Z6 Engine, Mazda Skyactiv-g Engine
 erstbroek-alles.com
    erstbroek-alles.com
    
    
    Wiring Diagram Mazda Atenza 2004 - Mazda 6 Forums : Mazda 6 Forum
 forum.mazda6club.com
    forum.mazda6club.com
    mazda wiring diagram bose 2009 2004 subwoofer pcm 2007 2006 2008 light stereo read database engine amp tail atenza 3l
Mazda 6 Belt Diagram - Derslatnaback
routing fixya solved
Mazda 5 Wiring Diagram Pdf - Wiring Diagram Schemas
mazda diagram wiring mirror
Index 20 - Automotive Circuit - Circuit Diagram - SeekIC.com
 www.seekic.com
    www.seekic.com
    circuit automotive seekic diagram
Audi Engine Diagram Torque Head - Wiring Diagrams
 cars-wiringdiagram.blogspot.com
    cars-wiringdiagram.blogspot.com
    cylinder
[FIXED] Help. Mazda AC Problem? Caused By MODIS? - ScannerDanner Forum
![[FIXED] Help. Mazda AC problem? Caused by MODIS? - ScannerDanner Forum](https://www.scannerdanner.com/media/kunena/attachments/417/mazdaAC.jpg) www.scannerdanner.com
    www.scannerdanner.com
    ac mazda caused modis problem help scannerdanner wiring diagram fixed
Alternator walser. Circuit automotive seekic diagram. 2010 mazda/mazdaspeed 3 wiring schematics