mazda 84 wiring b2000 diagramheadlights
THERMOSTAT KÜHLMITTEL FÜR FIAT LANCIA MAZDA 84-96 | eBay. 16 Pictures about THERMOSTAT KÜHLMITTEL FÜR FIAT LANCIA MAZDA 84-96 | eBay : 1986 Mazda B2000 Wiring Diagram : 1987 Mazda B2200 B2600 Pickup Truck, Mazda B2200 Ignition Wiring Diagram - Search Best 4K Wallpapers and also Do you have a wiring diagram for a 1998 Mazda B2500 w/2.5 5spd? I need.
THERMOSTAT KÜHLMITTEL FÜR FIAT LANCIA MAZDA 84-96 | EBay
 www.ebay.de
    www.ebay.de
    
    
    Hola Nesesito Si Me Ayudan Con Las Marcas De Tiempo De Un Motor Ma5861
 www.valvulita.com
    www.valvulita.com
    b2000 nesesito ayudan saludos sincronizacion
SOLVED: Wiring Diagram For Mazda B2500 1998 - Fixya
 www.fixya.com
    www.fixya.com
    mazda diagram wiring b2500 1998 schematics drl 1995 series lights turn 1994 headlights chassis fig stop
Magnaflow Catalytic Converter Direct Fit Mazda 84 85 | EBay
 www.ebay.com
    www.ebay.com
    magnaflow catalytic
Ths Is My Second Attempt. Must Have Goofed Up The First Time. I Have A
 www.justanswer.com
    www.justanswer.com
    manual mazda backup lights protege transmission question ask own don
2010 Mazda 6 Headlight Bulb Replacement - Ultimate Mazda
 morganalvarez.blogspot.com
    morganalvarez.blogspot.com
    mazda tribute headlight alternator wiring diagram 2006 replacement 2003 radio lights bulb ford locks automatic inside database
Mazda-84 1984 Mazda RX-7 Specs, Photos, Modification Info At CarDomain
 www.cardomain.com
    www.cardomain.com
    mazda rx 1984 cardomain
1987 Mazda B2000 Turn Signal Flasher Location - Motor Vehicle
 mechanics.stackexchange.com
    mechanics.stackexchange.com
    mazda b2000 diagram wiring turn 1984 flasher signal location 1987 fuse
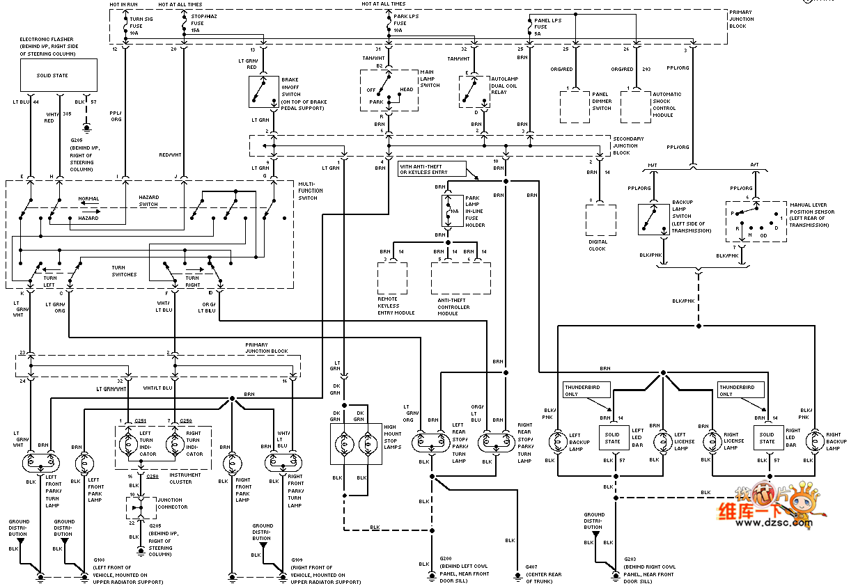
Mazda 94THUNDERB External Light Circuit - 555_Circuit - Circuit Diagram
 www.seekic.com
    www.seekic.com
    circuit mazda external light seekic diagram shown
2005 Mazda 3 Headlight Wiring Diagram : Mazda 3 Headlight Wiring
 intertherm-wiring-diagram.blogspot.com
    intertherm-wiring-diagram.blogspot.com
    headlight autozone repairguide beams
Mazda B2200 Ignition Wiring Diagram - Search Best 4K Wallpapers
 www.smarts4k.com
    www.smarts4k.com
    ignition b2200
Mazda 6 Headlight Diagram Pic2Fly 2004 Wiring : Diagram Mgb Le
1986 Mazda B2000 Wiring Diagram : 1987 Mazda B2200 B2600 Pickup Truck
b2000 1987
Auto Scout 24 Hostessen_Mazda_84. Internationaler Auto - Salon Genf 2014
genf hostessen salon madzda geneve autosalon
Do You Have A Wiring Diagram For A 1998 Mazda B2500 W/2.5 5spd? I Need
 www.justanswer.com
    www.justanswer.com
    mazda diagram wiring b2500 1998 light interior 5spd
Purchase N4A-EL 4N71B Automatic Transmission Rebuild Kit Nissan Mazda
 www.2040-parts.com
    www.2040-parts.com
    transmission rebuild automatic kit 2040 parts n4a steels mazda nissan el
Mazda 94thunderb external light circuit. Hola nesesito si me ayudan con las marcas de tiempo de un motor ma5861. Mazda rx 1984 cardomain