mazda headlight wiring diagram
Mazda 3 Fog Light Wiring Harness | schematic and wiring diagram. 16 Pictures about Mazda 3 Fog Light Wiring Harness | schematic and wiring diagram : 2005 Mazda 3 Headlight Wiring Diagram - Mazda 3 Headlight Wiring 2006, Mazda 3 Fog Light Wiring Harness | schematic and wiring diagram and also 2005 Freightliner M2 Wiring Diagram.
Mazda 3 Fog Light Wiring Harness | Schematic And Wiring Diagram
 schematicandwiringdiagram.blogspot.com
    schematicandwiringdiagram.blogspot.com
    harness
2011 Mazda2 Reverse Light Wire Under Dash?
 www.mazdas247.com
    www.mazdas247.com
    wire reverse under light mazda mazda2 diagram wiring dash shaun
2005 Freightliner M2 Wiring Diagram
 wiringall.com
    wiringall.com
    wiring fld120 fl70 mt45 fsj fl60 lt9500 1998 columbia wagoneer fld elec fl112
2009 Mazda 5 Wiring Diagram - Wiring Diagram Schemas
mazda3revolution
Mazda 3 Undercarriage Diagram - Ultimate Mazda
 morganalvarez.blogspot.com
    morganalvarez.blogspot.com
    undercarriage
Western Wiring Unimount HB5
 www.storksplows.com
    www.storksplows.com
    plow unimount f550 harness snowdogg excursion f350 f450 hb5
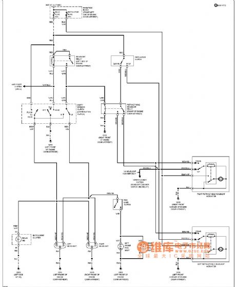
2005 Mazda 3 Headlight Wiring Diagram - Mazda 3 Headlight Wiring 2006
 kz650-wiring-diagram.blogspot.com
    kz650-wiring-diagram.blogspot.com
    rx8 imageservice repairguide autozone
Wiring Diagram For Car Spot Lights
 wiringdiagramall.blogspot.com
    wiringdiagramall.blogspot.com
    fog
2010 Mazda 3 Main Fuse Box Diagram – Auto Fuse Box Diagram
 www.autofuseboxdiagram.com
    www.autofuseboxdiagram.com
    fuse bt50 cx9 autofuseboxdiagram
1990 Mazda Miata With No Headlight, Console Light And Parking Light
 www.justanswer.com
    www.justanswer.com
    miata headlight
[DIAGRAM] 06 F150 Fuse Box Diagram FULL Version HD Quality Box Diagram
![[DIAGRAM] 06 F150 Fuse Box Diagram FULL Version HD Quality Box Diagram](https://stickerdeals.net/wp-content/uploads/2017/05/97-ford-f150-fuse-diagram-vehiclepad-97-ford-f150-wiring-for-fuse-box-diagram-1999-ford-f150.gif) bestdiagrams4s.soluzionevacanza.it
    bestdiagrams4s.soluzionevacanza.it
    f150
20 Fresh Headlight Warning Buzzer Wiring Diagram
fuse chevelle box 1964 diagram wiring horn relay camaro headlight 1969 buzzer warning wire
Mazda 3 Alternator Wiring Diagram
 www.chanish.org
    www.chanish.org
    wiring
Reverse/back Up Light Wiring - Page 2 - Mazda Forum - Mazda Enthusiast
 www.mazdaforum.com
    www.mazdaforum.com
    reverse wiring light mazda tribute being
Electrical | Model A Garage
 modelagarage.com
    modelagarage.com
    electrical wiring ford diagram 1929 1928 harness garage inc static1 squarespace luray va manual pdf
Index 20 - Circuit Diagram - SeekIC.com
 www.seekic.com
    www.seekic.com
    circuit diagram drl mazda seekic headlight headlamps shown
Wiring fld120 fl70 mt45 fsj fl60 lt9500 1998 columbia wagoneer fld elec fl112. 2009 mazda 5 wiring diagram. Wiring diagram for car spot lights