mb c320 wiring diagram
Mercedes A Class Radio Wiring Diagram - Wiring Diagram. 14 Images about Mercedes A Class Radio Wiring Diagram - Wiring Diagram : Mercede Benz C320 Wiring Diagram - Wiring Diagram, Mercede Benz C320 Wiring Diagram - Wiring Diagram and also Mercede Benz C320 Wiring Diagram - Wiring Diagram.
Mercedes A Class Radio Wiring Diagram - Wiring Diagram
 wiringdiagram.2bitboer.com
    wiringdiagram.2bitboer.com
    mercedes wiring benz diagram c240 2002 tail radio w203 class brake indicator lamps c180 connect
Mercede Benz C320 Wiring Diagram - Wiring Diagram
 wiring121.blogspot.com
    wiring121.blogspot.com
    mercedes w203 benz 2001 diagram wiring class repair 2007 service
W203 Ac Wiring Diagram
 wiringdiagramall.blogspot.com
    wiringdiagramall.blogspot.com
    mercedes wiring diagram w203 benz radio android stereo class 2007 cayenne 2004 porsche w212 slk player inch imageservice cloud resources
W203 Ac Wiring Diagram
 wiringdiagramall.blogspot.com
    wiringdiagramall.blogspot.com
    sam 2002 rear w203 diagram mercedes wiring electrical designation relay fuse box c320 c230k ac terminal class d2b outs disaster
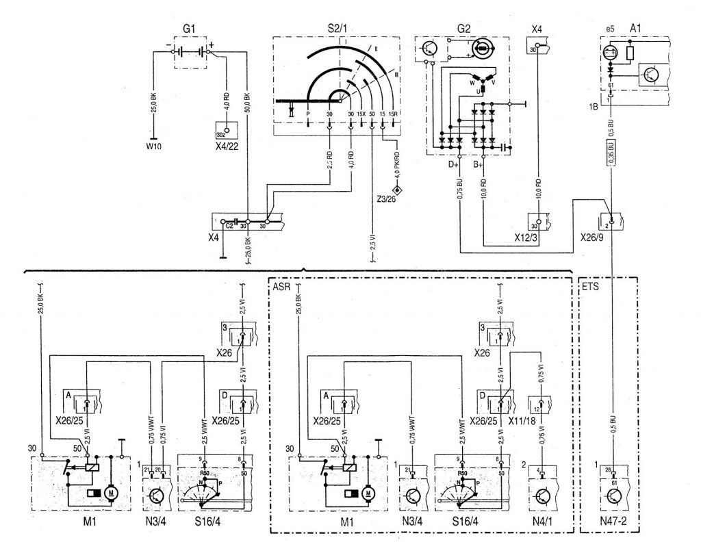
Mercedes-Benz C220 (1994 - 1996) - Wiring Diagrams - Starting
 www.carknowledge.info
    www.carknowledge.info
    c220 diagrams carknowledge c280
Mercedes C180 W202 Wiring Diagram
 automotorpad.com
    automotorpad.com
    diagram wiring mercedes sprinter c180 trailer w202 changeip source
I Retrofitted A Comand To My 2010 C350 Mercedes, But Am Stuck With The
 www.justanswer.com
    www.justanswer.com
    mercedes 0ee7 498e
1995 C220 Mercedes I Need A Wiring Diagram For The Transmission. The
 www.justanswer.com
    www.justanswer.com
    mercedes wiring c220 1995 benz diagram need eurotec
Mercede Benz C320 Wiring Diagram - Wiring Diagram
wiring diagram mercedes central locking benz vito van starter diagrams class clk sprinter w203 clk430 harness remote c320 engine schematics
Mercede Benz C320 Wiring Diagram - Wiring Diagram
 wiring121.blogspot.com
    wiring121.blogspot.com
    wiring diagram benz sprinter mercedes schematic pdf c320 500sl 1991 itasca
Wiring Diagram PDF: 2002 Mercedes Benz C320 Fuse Box Diagram
/Fuse Interior - Part 2.png) wiring-pdf.blogspot.com
    wiring-pdf.blogspot.com
    fuse c230
Mercede Benz C320 Wiring Diagram - Wiring Diagram
 wiring121.blogspot.com
    wiring121.blogspot.com
    mercedes benz wiring diagram class c180 electrical diagrams w202 manual 2000 engine radiator schematics repair w124 1994 service workshop 1995
I Am Trying To Retrofit Factory Navigation Into My 2008 C300
mercedes comand w204 diagram retrofit audio navigation benz class 2008 wire trying factory am monitor forums c300 connectors mm non
Mercede Benz C240 2003 Fuse Diagram - Wiring Diagram
 wiring121.blogspot.com
    wiring121.blogspot.com
    fuse benz diagram 2003 c240 relay starter mercedes location w211 wiring
Mercede benz c240 2003 fuse diagram. I am trying to retrofit factory navigation into my 2008 c300. Mercede benz c320 wiring diagram