mcdonalds interlock wiring diagram
MCB Type Isolator Switch Main Switch DIN Type for Distribution Box. 8 Pics about MCB Type Isolator Switch Main Switch DIN Type for Distribution Box : Electric Door Lock_MC-203 Electric Door Lock Designed for rental housing, Index of /workshop/wiring/mc21 and also Electric Door Lock_MC-203 Electric Door Lock Designed for rental housing.
MCB Type Isolator Switch Main Switch DIN Type For Distribution Box
 www.korlen.com
    www.korlen.com
    
    
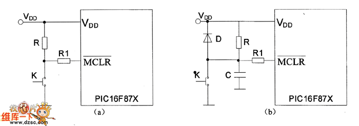
    MCLR Connection Manual Button Switch Circuit Diagram - Motor_Control
 www.seekic.com
    www.seekic.com
    mclr circuit connection diagram switch manual button seekic shown control
Index Of /workshop/wiring/mc21
 nsr-world.com
    nsr-world.com
    wiring mc21 diagram ktm duke harness nsr delimit workshop nsr250 tyga mc usa mc28 diagrams circuit
Home Wiring Mcb
wiring mcb elcb
MCC Web Wiring Drawings - Eaton
 www.eaton.com
    www.eaton.com
    mcc web drawings wiring eaton electrical
Mcb Wiring Connection Diagram - Wiring Diagram Schemas
 wiringschemas.blogspot.com
    wiringschemas.blogspot.com
    mcb
Electric Door Lock_MC-203 Electric Door Lock Designed For Rental Housing
 www.pc15.net
    www.pc15.net
    lock wiring diagram prohibited welding caution
Home Wiring Mcb Connection
 wiringdiagramall.blogspot.com
    wiringdiagramall.blogspot.com
    mcb electrical wiring connection connections correct method notes articles
Mclr connection manual button switch circuit diagram. Index of /workshop/wiring/mc21. Wiring mc21 diagram ktm duke harness nsr delimit workshop nsr250 tyga mc usa mc28 diagrams circuit