mercedes 300e fuse box diagram
Mercede 500sl Fuse Box. 16 Pictures about Mercede 500sl Fuse Box : Mercedes-Benz 300E (1992 - 1993) - wiring diagrams - charging system, Mercedes-Benz 300E (1990 - 1991) - wiring diagrams - fuse panel and also Fuse box chart, what fuse goes where - PeachParts Mercedes-Benz Forum.
Mercede 500sl Fuse Box
 hestiahelper.blogspot.com
    hestiahelper.blogspot.com
    sl500 r230 sl550 500sl mercede imageservice
Mercede Engine Diagram - Wiring Diagram Example
 xtobefreeky.blogspot.com
    xtobefreeky.blogspot.com
    mercede 300ce 300e
1991 Mercedes 500Sl Fuse Box Diagram / Mercedes-Benz 300E (1990 - 1991
 limitorque-wiring-diagram7.blogspot.com
    limitorque-wiring-diagram7.blogspot.com
    carknowledge 1990 500sl sl500 tp40 ignition 300e
I Need A Free Fuse Diagram For 1993 Mercedes 300SD - Fixya
 www.fixya.com
    www.fixya.com
    mercedes diagram fuse fixya 300sd
Shared Wiring: Fuse Box Diagram Mercedes Benz 300SE 1991
 bywiring.blogspot.com
    bywiring.blogspot.com
    mercedes 300se windscreen wiper
Mercedes Fuse Box Diagram: October 2012
 mercedesfuseboxdiagram.blogspot.com
    mercedesfuseboxdiagram.blogspot.com
    fuse 300d
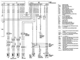
Mercedes-Benz 300E (1992 - 1993) - Wiring Diagrams - Charging System
 www.carknowledge.info
    www.carknowledge.info
    wiring 300e 1993 carknowledge e320 mercede s430 500e schematics
Owner And Manual
 circuitmanual.blogspot.com
    circuitmanual.blogspot.com
    fuse diagram
Fuse Box Diagram Mercedes Benz 300 1990 ~ Mercedes Fuse Box Diagram
 mercedesfuseboxdiagram.blogspot.com
    mercedesfuseboxdiagram.blogspot.com
    fuse mercedes diagram box 1990 benz
Mercede 500sl Fuse Box
 hestiahelper.blogspot.com
    hestiahelper.blogspot.com
    wiring slk cl500 500sl slk230 headlights mercede
Fuse Box Chart, What Fuse Goes Where - PeachParts Mercedes-Benz Forum
 www.peachparts.com
    www.peachparts.com
    fuse chart diagram mercedes box 2000 s430 benz e320 peachparts 2004 shopforum location wiring mercede saturn series fixya tech attachments
1984 Mercedes 300Sd Fuse Box Diagram - Wiring Forums
 wiringforums.com
    wiringforums.com
    wiring diagram 1984 fuse 300sd box diagrams autozone mercedes guides repair 380sl climate control repairguide px source
Mercedes-Benz 300E (1990 - 1991) - Wiring Diagrams - Fuse Panel
 www.carknowledge.info
    www.carknowledge.info
    mercedes fuse wiring diagram box benz 1990 300e 1991 diagrams panel carknowledge info left
Need A Fusebox Wiring Diagram For A 1993 Mecedes Benz 300se
 www.justanswer.com
    www.justanswer.com
    300se 1993 benz fusebox wiring diagram need mecedes registered users attachments mercedes
2013 Ml350 Fuse Box Diagram : Mercedes Gl450 Fuse Diagram Mercedes Benz
fuse ml350 gl450 relay
2002 Mercedes S500 Fuse Box | Wiring Library
 99.sandra-news.de
    99.sandra-news.de
    wiring slk 190e carknowledge c300
300se 1993 benz fusebox wiring diagram need mecedes registered users attachments mercedes. Mercedes fuse wiring diagram box benz 1990 300e 1991 diagrams panel carknowledge info left. Fuse mercedes diagram box 1990 benz