mercedes 400 wiring diagram

Ml 320 Fuse Diagram - Wiring Diagram. 18 Images about Ml 320 Fuse Diagram - Wiring Diagram : Mercedes-Benz 400SE (1992) - wiring diagrams - ABS - Carknowledge.info, Wiring Diagram Mercede Benz 300e - Wiring Diagram Schemas and also Boat Shore Power Wiring Diagram.

Ml 320 Fuse Diagram - Wiring Diagram

Ml 320 Fuse Diagram - Wiring Diagram wiring121.blogspot.com

ml320 w163 fuses

Wiring Diagram Mercede Benz 300e - Wiring Diagram Schemas

Wiring Diagram Mercede Benz 300e - Wiring Diagram Schemas wiringschemas.blogspot.com

diagram wiring 300e mercedes

Mercedes Benz 300 Coupe Wiring Diagram Collection - Wiring Diagram Sample

Mercedes Benz 300 Coupe Wiring Diagram Collection - Wiring Diagram Sample faceitsalon.com

wiring diagram mercedes benz audio carknowledge info coupe sprinter source

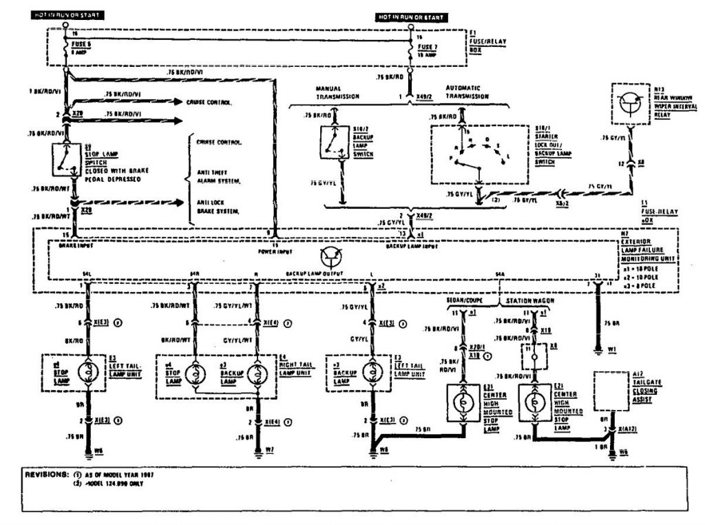
Mercedes-Benz 300E (1990 - 1991) - Wiring Diagrams - Reverse Lamps

Mercedes-Benz 300E (1990 - 1991) - wiring diagrams - reverse lamps www.carknowledge.info

carknowledge 300e w124 300ce

Mercedes 300d Wiring Diagram, - Style Guru: Fashion, Glitz, Glamour

mercedes 300d wiring diagram, - Style Guru: Fashion, Glitz, Glamour www.stylesgurus.com

w123 300d 300td

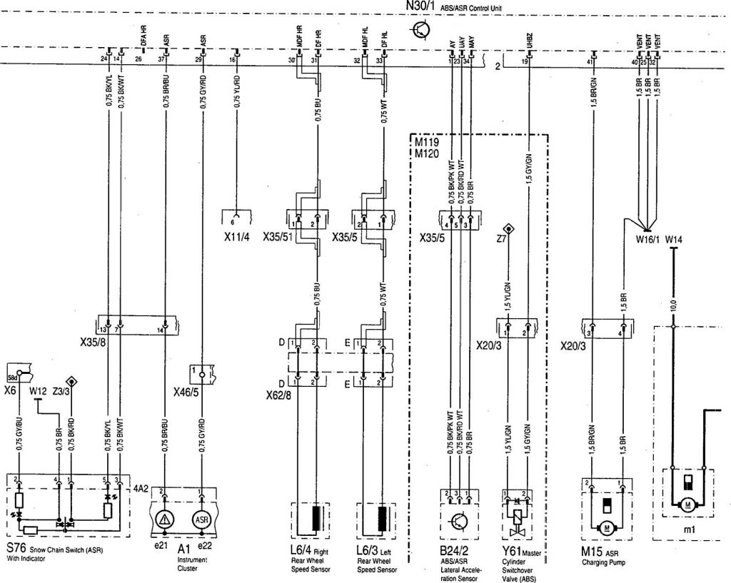
Mercedes-Benz 400SE (1992) - Wiring Diagrams - ABS - Carknowledge.info

Mercedes-Benz 400SE (1992) - wiring diagrams - ABS - Carknowledge.info www.carknowledge.info

400se carknowledge

Car Speed Power: 1991 Mercedes-Benz 300E System Wiring Diagrams Anti

Car Speed Power: 1991 Mercedes-Benz 300E System Wiring Diagrams Anti carspeedpower.blogspot.com

wiring circuit theft anti 300e 1991 benz mercedes diagrams speed power sytem

Mercedes 230 Sl Wiring Diagram - Wiring Diagram

Mercedes 230 Sl Wiring Diagram - Wiring Diagram wiringdiagram.2bitboer.com

mercedes wiring diagram 450sl

Lexus IS350 2008 Main Engine Fuse Box/Block Circuit Breaker Diagram

Lexus IS350 2008 Main Engine Fuse Box/Block Circuit Breaker Diagram www.carfusebox.com

lexus fuse diagram box is350 2008 2006 main gx470 engine circuit block breaker carfusebox

Android 8.0 8 Inch For 2000 2001 2002-2011 Mercedes SLK Class R171

Android 8.0 8 inch for 2000 2001 2002-2011 Mercedes SLK Class R171 www.seicane.com

mercedes slk carplay autoradio r171 slk300 slk200 slk55 slk350 slk280 seicane

'51 Mercedes-Benz 170S-Page 2| Builds And Project Cars Forum

'51 Mercedes-Benz 170S-Page 2| Builds and Project Cars forum grassrootsmotorsports.com

mercedes wiring 170s benz fortunately diagrams

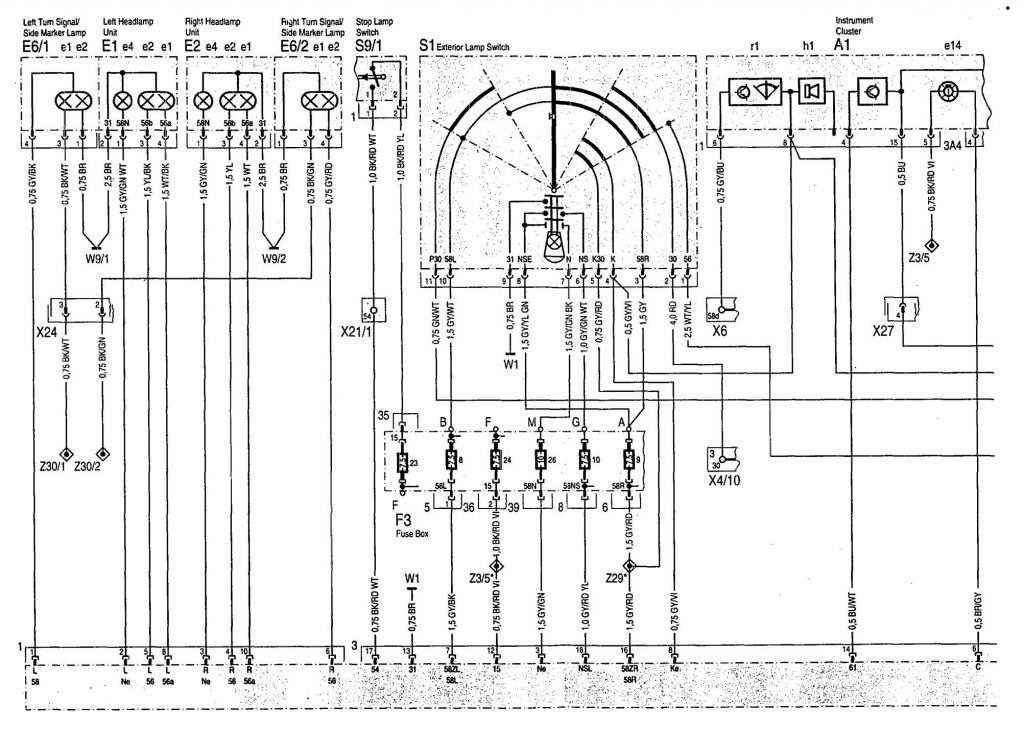
Mercedes-Benz 300SD (1992 - 1993) - Wiring Diagrams - Exterior Lighting

Mercedes-Benz 300SD (1992 - 1993) - wiring diagrams - exterior lighting www.carknowledge.info

wiring exterior lighting benz mercedes 300sd carknowledge 1992 diagram 1993

Clk320 Fuse Diagram

Clk320 Fuse Diagram hestiahelper.blogspot.com

diagram mercedes engine clk320 fuse wiring m112 benz symbols guide

New Radio Soon - Page 2 - Mercedes-Benz Forum

New radio soon - Page 2 - Mercedes-Benz Forum www.benzworld.org

wiring mercedes diagram radio w124 amp ml320 factory 190e schematics benz class 1998 head ignition forums e320 wagon audio leave

1984 Mercedes 300Sd Fuse Box Diagram - Wiring Forums

1984 Mercedes 300Sd Fuse Box Diagram - Wiring Forums wiringforums.com

300sd 190e sel ignition

Boat Shore Power Wiring Diagram

Boat Shore Power Wiring Diagram hestiahelper.blogspot.com

wiring boat electrical diagram marine system ac boats schematic battery pontoon sailboat restoration main inverter crestliner motor shore switch power

[DIAGRAM] Polaris 6x6 Wiring Diagram FULL Version HD Quality Wiring

[DIAGRAM] Polaris 6x6 Wiring Diagram FULL Version HD Quality Wiring windmilldiagrams.moto-cicli.it

6x6 taillight assembly partzilla

AOD TRANSMISSION MANUAL VALVE BODY - Auto Electrical Wiring Diagram

AOD TRANSMISSION MANUAL VALVE BODY - Auto Electrical Wiring Diagram ewiringdiagram.herokuapp.com

ford check ball valve body transmission aod locations c4 manual f150 diagram guidance diagnostic need source related

Mercedes slk carplay autoradio r171 slk300 slk200 slk55 slk350 slk280 seicane. Boat shore power wiring diagram. Ml320 w163 fuses