mercedes benz c180 wiring diagram

1995 Mercedes Benz c 220 Wiring Diagram - Learn Circuit Diagram. 18 Pictures about 1995 Mercedes Benz c 220 Wiring Diagram - Learn Circuit Diagram : 20 Awesome Gm Steering Column Ignition Switch Wiring, Mercedes-Benz C280 (1998) - wiring diagrams - power windows and also Mercede Benz C240 2003 Fuse Diagram - Wiring Diagram.

1995 Mercedes Benz C 220 Wiring Diagram - Learn Circuit Diagram

1995 Mercedes Benz c 220 Wiring Diagram - Learn Circuit Diagram diagramstudy.blogspot.com

diode zener modules

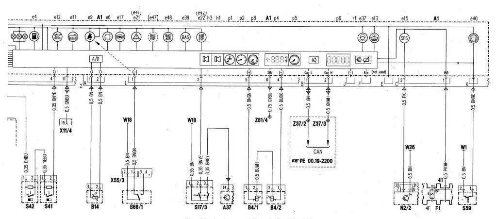
Mercedes-Benz C280 (1994 - 1997) - Wiring Diagrams - Instrumentation

Mercedes-Benz C280 (1994 - 1997) - wiring diagrams - instrumentation www.carknowledge.info

instrumentation c280

2005 Mercedes C230 Kompressor Parts Diagram | Reviewmotors.co

2005 Mercedes C230 Kompressor Parts Diagram | Reviewmotors.co reviewmotors.co

c230 kompressor c240 w202 mercede wiring benzworld mercedesforum zekeringen

W202 C180 Throttle Body Wiring Diagram - Mercedes-Benz Forum

W202 C180 Throttle Body wiring diagram - Mercedes-Benz Forum www.benzworld.org

w202 c180 body throttle wiring diagram mercedes duminda siriwardena offline amg

Mercede Benz C320 Wiring Diagram - Wiring Diagram

Mercede Benz C320 Wiring Diagram - Wiring Diagram wiring121.blogspot.com

diagram wiring benz c320

Mercede Benz C300 Fuse Diagram - Wiring Diagram

Mercede Benz C300 Fuse Diagram - Wiring Diagram ni3-08.blogspot.com

c300 mercede sl550 electrical

[WE_5917] Mercedes Alternator Wiring Schematic Wiring

[WE_5917] Mercedes Alternator Wiring Schematic Wiring loskopri.xero.mohammedshrine.org

wiring c240

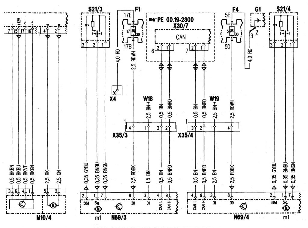
Mercedes-Benz C280 (1998) - Wiring Diagrams - Instrumentation

Mercedes-Benz C280 (1998) - wiring diagrams - instrumentation www.carknowledge.info

c280 instrumentation diagrams

Mercedes-Benz C280 (1998) - Wiring Diagrams - Power Windows

Mercedes-Benz C280 (1998) - wiring diagrams - power windows www.carknowledge.info

c280 carknowledge

W203 Fuse Diagram - Wiring Diagrams

W203 Fuse Diagram - Wiring Diagrams cars-wiringdiagram.blogspot.com

w203 fusibles fuses fusibili scatola relays wiring schemi relè ventos

Mercedes-Benz C280 (1998) - Wiring Diagrams - Power Locks

Mercedes-Benz C280 (1998) - wiring diagrams - power locks www.carknowledge.info

mercedes wiring benz c280 diagram locks power diagrams 1998 carknowledge info

2000 Mercedes Benz C230 C280 C43 C-Class Electrical Wiring Diagrams

2000 Mercedes Benz C230 C280 C43 C-Class Electrical Wiring Diagrams www.ebay.com

c280 c230

2002 Mercedes Benz C240 2.6L 18V FI SOHC 6cyl | Repair Guides | Wiring

2002 Mercedes Benz C240 2.6L 18V FI SOHC 6cyl | Repair Guides | Wiring www.autozone.com

diagrams wiring autozone schematic electrical fig 2005 vcm touring ex system repair

20 Awesome Gm Steering Column Ignition Switch Wiring

20 Awesome Gm Steering Column Ignition Switch Wiring bosco-mylove.blogspot.com

mercedes wiring diagram benz switch c180 ignition neutral safety 1994 1991 300e harness 1992 justanswer 1989 sel problem fixya ww2

Mercede Benz C240 Wiring Diagram - Wiring Diagram

Mercede Benz C240 Wiring Diagram - Wiring Diagram wiring121.blogspot.com

c240

[NK_0657] 2000 Mercedes S500 Fuel Pump Location Wiring Diagram

[NK_0657] 2000 Mercedes S500 Fuel Pump Location Wiring Diagram coun.vell.letkol.fr09.org

fuel mercedes benz diagram wiring pump 2006 location e350 2000 s500 sender level replacement class

Mercede Benz C240 2003 Fuse Diagram - Wiring Diagram

Mercede Benz C240 2003 Fuse Diagram - Wiring Diagram wiring121.blogspot.com

fuse c280 p0730 diagram box benz code c240 2003 mercedes class blowing w202

Fuse Box Diagram For 2008 Mercedes C300 | Schematic And Wiring Diagram

Fuse Box Diagram For 2008 Mercedes C300 | schematic and wiring diagram schematicandwiringdiagram.blogspot.com

c300 chevy wiring

2005 mercedes c230 kompressor parts diagram. Mercedes-benz c280 (1998). 1995 mercedes benz c 220 wiring diagram