mercedes benz c220 wiring
1994 c220 wireharness problem - Mercedes-Benz Forum. 17 Pictures about 1994 c220 wireharness problem - Mercedes-Benz Forum : Mercedes-Benz C220 (1994 - 1996) - wiring diagrams - interior lighting, Mercedes-Benz C Class W204 Electrical Problems - YouTube and also 1995 Mercedes C280 Wiring Harness Collection | Wiring Collection.
1994 C220 Wireharness Problem - Mercedes-Benz Forum
 www.benzworld.org
    www.benzworld.org
    c220 wireharness 1994 problem
Mercedes-Benz C Class W204 Electrical Problems - YouTube
 www.youtube.com
    www.youtube.com
    problems mercedes w204
Aftermarket Headlight Puzzle | Mercedes-Benz Forum
aftermarket benzworld
1995 Mercedes C280 Wiring Harness Collection | Wiring Collection
 headcontrolsystem.com
    headcontrolsystem.com
    wiring harness mercedes c280 partsgeek engine 1995 source
How (where) Do You Align The Cams On A Mercedes C220 (1995) I Tried To
 www.justanswer.com
    www.justanswer.com
    timing mercedes chain c220 tensioner camshaft jumped cam change
Repair Diagrams For 2000 MERCEDES-BENZ C280 Engine, Transmission
 www.automotix.net
    www.automotix.net
    c280 benz mercedes 2000 wiring diagram v6 gas diagrams repair sensor
Wiper Stalk Column Switch 94-97 Mercedes C220 C230 C280 C36 C250D - 202
 carparts4sale.com
    carparts4sale.com
    
    
    Mercede Benz C320 Wiring Diagram - Wiring Diagram
 wiring121.blogspot.com
    wiring121.blogspot.com
    diagram wiring benz mercedes c230 1998 class
2007 C230 Won't Start | Page 2 | Mercedes-Benz Forum
 www.benzworld.org
    www.benzworld.org
    c230
1994 Mercedes C220 - Problems - Page 2 - Mercedes-Benz Forum
 www.benzworld.org
    www.benzworld.org
    mercedes problems c220 w202 plugs 1994
Mercedes Benz Repair Manual (C220 C230 C280) - Bentley MBC0 | FCP Euro
mercedes benz c230 repair manual c280 diagram bentley parts 1998 c220 diagrams 1994 contains
Mercedes-Benz W204 Trunk Interior Panel And Trim Removal - (2008-2014
 www.pelicanparts.com
    www.pelicanparts.com
    trunk panel mercedes w204 interior trim removal wiring fuse remove light c300 body disconnect completely arrow above down before benz
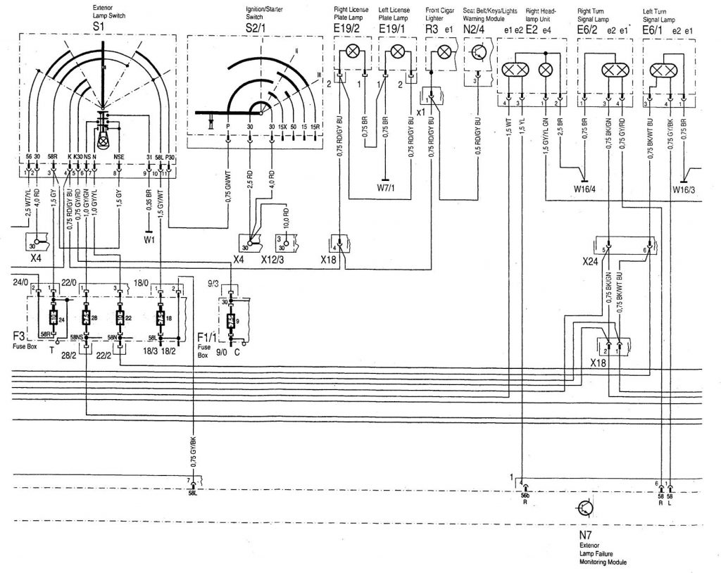
Mercedes-Benz C220 (1994 - 1996) - Wiring Diagrams - Interior Lighting
 www.carknowledge.info
    www.carknowledge.info
    c220 carknowledge harnes mercede
Mercedes C220 Starter Motor Fuse
 automotorpad.com
    automotorpad.com
    mercedes starter fuse c220 cdi c200 motor benz problem 2002 2008 box source list chart
Mercedes Benz C-Class W204 Complete Interior LED Pack
 www.horizonleds.co.uk
    www.horizonleds.co.uk
    w204 interior mercedes benz class led pack complete oem horizonleds kit supercars
Mercedes-Benz C280 (1998) - Wiring Diagrams - Power Windows - CARKNOWLEDGE
 www.carknowledge.info
    www.carknowledge.info
    mercedes wiring benz diagram c280 windows power 1998 diagrams carknowledge info
1998 Mercedes C230 Parts Diagram | Reviewmotors.co
 reviewmotors.co
    reviewmotors.co
    rear mercedes diagram r129 parts c230 suspension class camber sl tire benz 1998 w203 wear inside adjustment question lack due
Mercedes benz c230 repair manual c280 diagram bentley parts 1998 c220 diagrams 1994 contains. Repair diagrams for 2000 mercedes-benz c280 engine, transmission. 1998 mercedes c230 parts diagram