mercedes benz e280 wiring diagram
Mercedes W211 Parts Manual | Reviewmotors.co. 18 Pics about Mercedes W211 Parts Manual | Reviewmotors.co : [2008 Mercedes Benz E Class Wiring Diagram Manual Download] - 9 Inch, Mercedes Benz W211 E500 Fuse Box Locations and Chart Diagram - YouTube and also Mercedes Wiring Diagrams, Technical Schematics Etc - Page 2 - Mercedes.
Mercedes W211 Parts Manual | Reviewmotors.co
_Elegance_sedan_(2011-11-17)_01.jpg?resize=806%2C391&ssl=1) reviewmotors.co
    reviewmotors.co
    mercedes manual w211 parts
W211 Location Of CANBUS HUB - Mercedes-Benz Forum
 www.benzworld.org
    www.benzworld.org
    w211 location hub canbus mercedes connector vids quad txt install android core complete market forums benz wire mbworld offline class
1991 Mercedes 500Sl Fuse Box Diagram / Mercedes-Benz 300E (1990 - 1991
 limitorque-wiring-diagram7.blogspot.com
    limitorque-wiring-diagram7.blogspot.com
    i169 w124
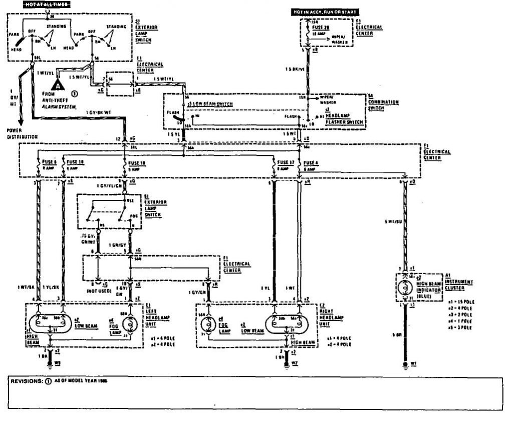
Need Electrical Diagram For Lighting System In 1998 Mercedes Benz
mercedes 1998 benz electrical diagram lighting system need sponsored links 320e very
2003 Mercede Benz E320 Fuel Filter - Cars Wiring Diagram
e320 mercede shaky
Mercede W124 Wiring Diagram
harness wiring w124 engine diagram diy mercede replacement electrical tips
Mercedes Wiring Diagrams, Technical Schematics Etc - Page 2 - Mercedes
 www.benzworld.org
    www.benzworld.org
    mercedes diagrams schematics wiring technical etc class benz file type kb views
E260 Engine Wiring Diagram - MBWorld.org Forums
 mbworld.org
    mbworld.org
    e260 mbworld
Mercede E200 Wiring Diagram
e320 w203 w210 imageservice mercede e200 shema
Wiring Diagrams For W210 - Mercedes-Benz Forum
 www.benzworld.org
    www.benzworld.org
    wiring w210 diagrams mercedes benz class kb views file type
Xnx Transmitter Wiring Diagram Free Download Free Download
 thomas.tiotips.nu
    thomas.tiotips.nu
    transmitter xnx
Fuses On Mercedes Benz E Class W210 Are Located In Several Locations
 www.pinterest.co.uk
    www.pinterest.co.uk
    e55
Need Electrical Diagram For Lighting System In 1998 Mercedes Benz
mercedes diagram 1998 benz electrical lighting system need sponsored links 320e very
[2008 Mercedes Benz E Class Wiring Diagram Manual Download] - 9 Inch
![[2008 Mercedes Benz E Class Wiring Diagram Manual Download] - 9 Inch](http://mainetreasurechest.com/wp-content/uploads/2018/07/2010-ford-f150-wiring-diagram-best-of-ford-e-350-wiring-diagrams-wiring-diagram-of-2010-ford-f150-wiring-diagram.png) autosalesmalta.com
    autosalesmalta.com
    w124 w203 e350 mainetreasurechest e220
Mercedes-Benz 190E (1990 - 1991) - Wiring Diagrams - Fog Lamps
 www.carknowledge.info
    www.carknowledge.info
    190e fog 300cd carknowledge
1966 250SE And 1968 280SE Coupe Wiring Diagram - PeachParts Mercedes
 www.peachparts.com
    www.peachparts.com
    250se 280se wiring mercedes 1966 1968 coupe diagram m104 1993 benz
Mercedes W639 Radio Connections - Mercedes Vito Viano Wiring Diagrams
 kwalityapple.blogspot.com
    kwalityapple.blogspot.com
    mercedes wiring connects2 vito w639 radio navi connections viano diagram aps diagrams source audio english
Mercedes Benz W211 E500 Fuse Box Locations And Chart Diagram - YouTube
 www.pinterest.com
    www.pinterest.com
    mercedes diagram wiring benz w211 relay w140 e320 ac conditioner chart mechanic wiper class fuse air clutch control electrical climate
Wiring w210 diagrams mercedes benz class kb views file type. W211 location hub canbus mercedes connector vids quad txt install android core complete market forums benz wire mbworld offline class. 250se 280se wiring mercedes 1966 1968 coupe diagram m104 1993 benz