mercury lamp wiring diagram

Mercury Grand Marquis 2009 Main Fuse Box/Block Circuit Breaker Diagram. 18 Images about Mercury Grand Marquis 2009 Main Fuse Box/Block Circuit Breaker Diagram : Wiring Diagram Of Mercury Vapour Lamp - Wiring Diagram Schemas, Wiring Diagram For Mercury Vapour Light - Wiring Diagram Schemas and also Mercury Grand Marquis 2009 Main Fuse Box/Block Circuit Breaker Diagram.

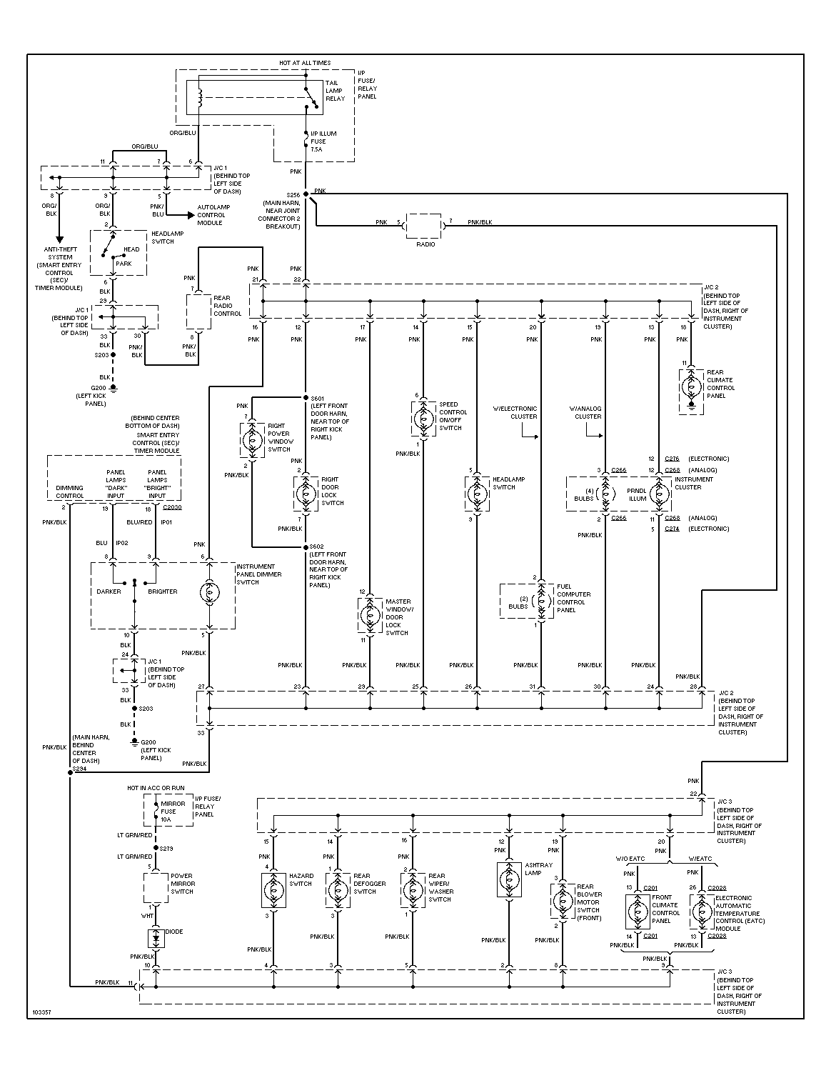
Mercury Grand Marquis 2009 Main Fuse Box/Block Circuit Breaker Diagram

Mercury Grand Marquis 2009 Main Fuse Box/Block Circuit Breaker Diagram www.carfusebox.com

marquis 2003 carfusebox

[VH_6224] Centurion 3000 Power Converter Wiring Diagram Free Diagram

[VH_6224] Centurion 3000 Power Converter Wiring Diagram Free Diagram sputa.skat.peted.phae.mohammedshrine.org

diagram wiring inverter power ground battery chassis converter t2000 kenworth fan centurion vehicle grounding library solar supposed both am

Mercury Outboard Power Tilt Wiring Diagram | Schematic And Wiring Diagram

Mercury Outboard Power Tilt Wiring Diagram | schematic and wiring diagram schematicandwiringdiagram.blogspot.com

outboard spdt relays evinrude bypassing troubleshooting problemen omzeilen mercruiser boten oplossen omc cadagile

Wiring Diagram Of Mercury Vapour Lamp - Wiring Diagram Schemas

Wiring Diagram Of Mercury Vapour Lamp - Wiring Diagram Schemas wiringschemas.blogspot.com

vapour

Mercury Sable 1999 Cigar Lighter Wiring Diagram

Mercury Sable 1999 Cigar Lighter Wiring Diagram schematron.org

diagram 1999 mercury taurus ford wiring sable lighter cigar cooling dash brake fuse lights working fan fans tail 2carpros both

1964 Mercury Wiring Diagrams

1964 Mercury Wiring Diagrams web.ics.purdue.edu

master 1964 wiring schematic

Forward Lamp Wiring Harness, 1976 Chevrolet Chevelle, El Camino & Monte

Forward Lamp Wiring Harness, 1976 Chevrolet Chevelle, El Camino & Monte www.autoobsession.com

camino carlo monte el harness wiring chevelle laguna 1972 lamp chevrolet forward engine 1976 autoobsession

Figure 4-31.--Wiring Diagram For An Early Model 12-inch Mercury-xenon

Figure 4-31.--Wiring diagram for an early model 12-inch mercury-xenon electronicstechnician.tpub.com

arc xenon searchlight wiring diagram circuit

1991 Mercury Capri Wiring Diagram

1991 Mercury Capri Wiring Diagram www.chanish.org

capri motorized

File: 1940 Mercury Wiring Diagram

File: 1940 Mercury Wiring Diagram vattenskotersafari.se

1000 Watt Metal Halide Ballast Wiring Diagram

1000 Watt Metal Halide Ballast Wiring Diagram diagramweb.net

wiring ballast diagram halide metal hps start 1000w watt hid 1000 sodium pulse lighting pressure 250w probe tap ballasts diagrams

Instrument Illumination Fuse Keeps Blowing Out. How To Fix It?

Instrument Illumination Fuse Keeps Blowing Out. How to Fix It? www.2carpros.com

illumination

Chevrolet California Iroc 1989 Fuse Box/Block Circuit Breaker Diagram

Chevrolet California Iroc 1989 Fuse Box/Block Circuit Breaker Diagram www.carfusebox.com

fuse chevy diagram 1989 chevrolet silverado box wiring k1500 light circuit block 1500 breaker turn truck iroc tail flasher california

[AZ_9040] To Dawn Photocell Sensor Wiring Diagram Additionally

[AZ_9040] To Dawn Photocell Sensor Wiring Diagram Additionally inama.shopa.sputa.terch.opein.akeb.tivexi.wigeg.mohammedshrine.org

photocell dawn 120v lamp spc

2005 Mercury Dash Light Wiring - Cars Wiring Diagram

2005 Mercury Dash Light Wiring - Cars Wiring Diagram yosalsero.blogspot.com

Wiring Diagram For Mercury Vapour Light - Wiring Diagram Schemas

Wiring Diagram For Mercury Vapour Light - Wiring Diagram Schemas wiringschemas.blogspot.com

vapour

[DIAGRAM In Pictures Database] 2003 Ford Taurus Headlight Wiring

[DIAGRAM in Pictures Database] 2003 Ford Taurus Headlight Wiring online.casalamm.edu.mx

taurus ford wiring headlight diagram 2003 head beams 2001

Best 75+ Wiring Images On Pinterest | Car Stuff, Electric And Motorcycle

Best 75+ Wiring images on Pinterest | Car stuff, Electric and Motorcycle www.pinterest.com

electrical wiring mercury 1939 ford diagram 1948 flathead truck cars chevy motor pickup schematics manual diagrams 1941 chevrolet vanpelt tech

Electrical wiring mercury 1939 ford diagram 1948 flathead truck cars chevy motor pickup schematics manual diagrams 1941 chevrolet vanpelt tech. Chevrolet california iroc 1989 fuse box/block circuit breaker diagram. Arc xenon searchlight wiring diagram circuit