mercury sable door lock wiring diagram

Wiring Diagram PDF: 2003 Ford Ranger Wiring Schematic. 17 Pictures about Wiring Diagram PDF: 2003 Ford Ranger Wiring Schematic : 2004 Mercury Sable Wiring Diagram - Wiring Diagram, Power Lock 03 F150 - Power Lock and also I own a 1996 Mercury Sable this morning the Electric Windows and Door.

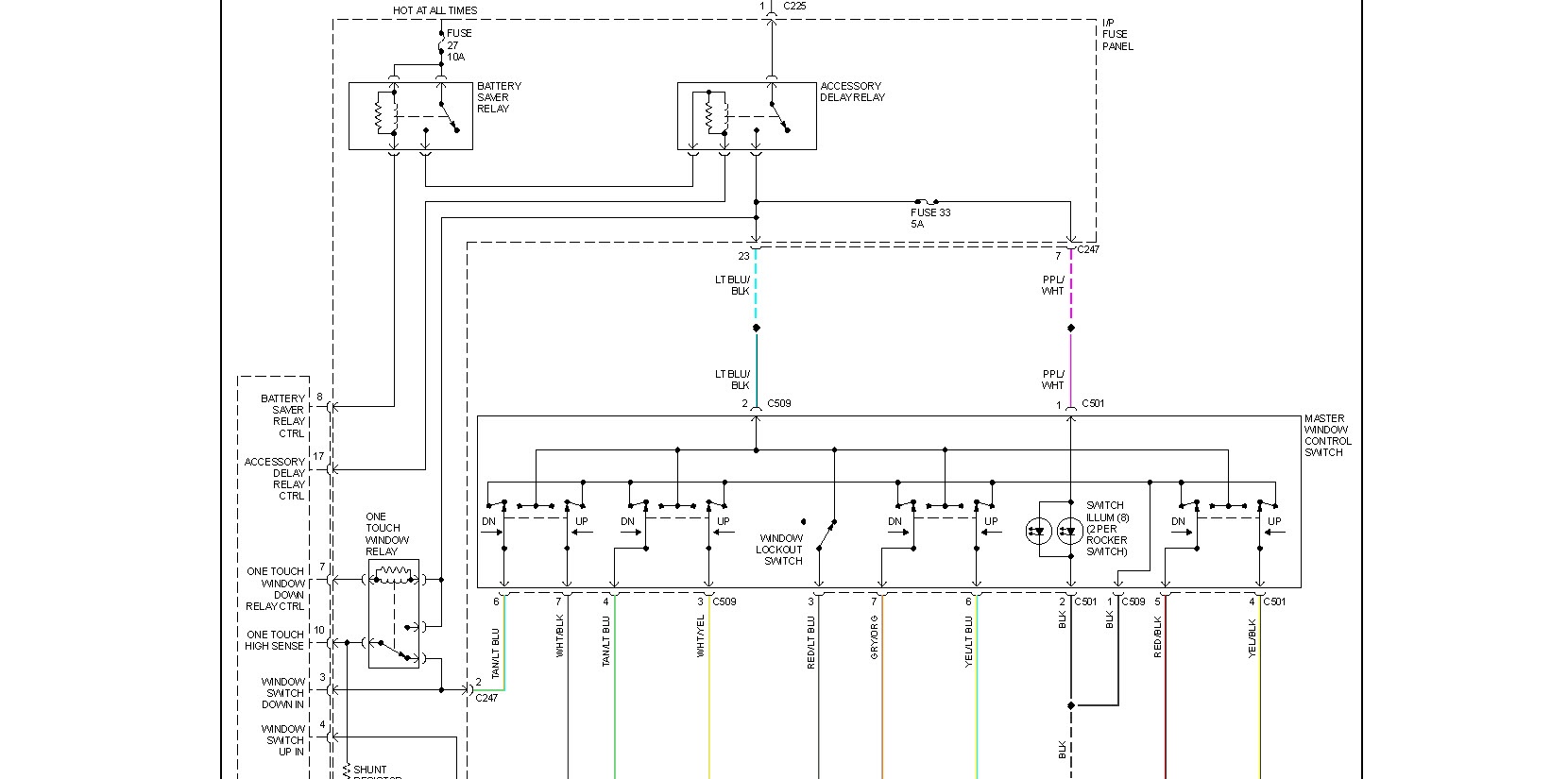
Wiring Diagram PDF: 2003 Ford Ranger Wiring Schematic

Wiring Diagram PDF: 2003 Ford Ranger Wiring Schematic wiring-pdf.blogspot.com

f250 solenoid f350 vtl selenoid u2022 justanswer pinout bookingritzcarlton

2003 Mercury Sable Wiring Diagram : 2003 Mercury Grand Marquis

2003 Mercury Sable Wiring Diagram : 2003 Mercury Grand Marquis teisco-wiring-diagram.blogspot.com

sable 2carpros

I Have A 1999 Mercury Grand Marquis, I Just Bought It, I Know How To

I have a 1999 Mercury Grand Marquis, I just bought it, I know how to www.justanswer.com

door grand marquis keyless entry mercury light marquise driver remove panel well

Power Lock 03 F150 - Power Lock

Power Lock 03 F150 - Power Lock newsogpowerlock.blogspot.com

f150 actuator

1998 Mercury Sable Fuse Box Diagram : 1992 Oldsmobile 88 Fuse Box

1998 Mercury Sable Fuse Box Diagram : 1992 Oldsmobile 88 Fuse Box diyonline1.blogspot.com

fuse fotohostingtv

Wiring Diagram For Power Door Lock - Wiring Diagram Schemas

Wiring Diagram For Power Door Lock - Wiring Diagram Schemas wiringschemas.blogspot.com

lock

I Own A 1996 Mercury Sable This Morning The Electric Windows And Door

I own a 1996 Mercury Sable this morning the Electric Windows and Door www.justanswer.com

mercury sable locks quit 1996 working door drove town

I Own A 1996 Mercury Sable This Morning The Electric Windows And Door

I own a 1996 Mercury Sable this morning the Electric Windows and Door www.justanswer.com

power door mercury sable quit locks 1996 working ford relay taurus check justanswer grounds voltmeter hook lead drove using town

Electronic Windows And Doorlock Problems: I Own A 1996 Mercury

Electronic Windows and Doorlock Problems: I Own a 1996 Mercury www.2carpros.com

doorlock electronic problems windows

2004 Mercury Sable Wiring Diagram - Wiring Diagram

2004 Mercury Sable Wiring Diagram - Wiring Diagram wiringdiagram.2bitboer.com

imageservice

2003 Mercury Sable Wiring Diagram : 2003 Mercury Grand Marquis

2003 Mercury Sable Wiring Diagram : 2003 Mercury Grand Marquis teisco-wiring-diagram.blogspot.com

Repair Diagrams For 2000 Mercury Sable Engine, Transmission, Lighting

Repair Diagrams for 2000 Mercury Sable Engine, Transmission, Lighting www.automotix.net

sable mercury 2000 wiring diagram repair v6 gas diagrams

Mercury Sable Door Lock Actuator - Power Door Actuator - Replacement

Mercury Sable Door Lock Actuator - Power Door Actuator - Replacement www.partsgeek.com

actuator sable lock partsgeek

99 Mercury Mountaineer, Electric Door Locks Operate When Car Unattended

99 mercury mountaineer, electric door locks operate when car unattended www.justanswer.com

mercury mountaineer door electric diagram fuse operate locks pull scottz136 module

Chevy Brake Controller Wiring Diagram - Wiring Diagram

Chevy Brake Controller Wiring Diagram - Wiring Diagram cars-trucks24.blogspot.com

wiring diagram brake trailer controller electric curt brakes schematic chevy control fresh ford 1500 ltz suzuki version

How Do You Replace Drivers Door Lock Actuator On 2000 Mercury Sable?

How do you replace drivers door lock actuator on 2000 mercury sable? www.justanswer.com

lock door mercury 2000 driver actuator replace drivers latch remove sable ford unlock taurus cylinders 2002 side switch justanswer

I Own A 1996 Mercury Sable This Morning The Electric Windows And Door

I own a 1996 Mercury Sable this morning the Electric Windows and Door www.justanswer.com

door 1996 mercury sable locks wiring switch town power window schematic drivers quit working lock electric windows 1995 drove justanswer

Sable mercury 2000 wiring diagram repair v6 gas diagrams. 99 mercury mountaineer, electric door locks operate when car unattended. Lock door mercury 2000 driver actuator replace drivers latch remove sable ford unlock taurus cylinders 2002 side switch justanswer